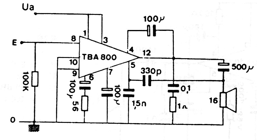
El circuito integrado utilizado en este amplificador de los 90 no es muy común en la actualidad. El suministro es de 24 V, la ganancia es de 50 dB y la resistencia de entrada es de 100 k. El circuito es de un manual de circuito antiguo.
El simple diseño presentado utiliza sólo un transistor y su montaje no ofrece dificultad alguna,...
En realidad, esta es una experiencia que permite demostrar el principio de funcionamiento de los...
Los transistores de efecto de campo de potencia (Power MOSFETs) pueden controlar corrientes...