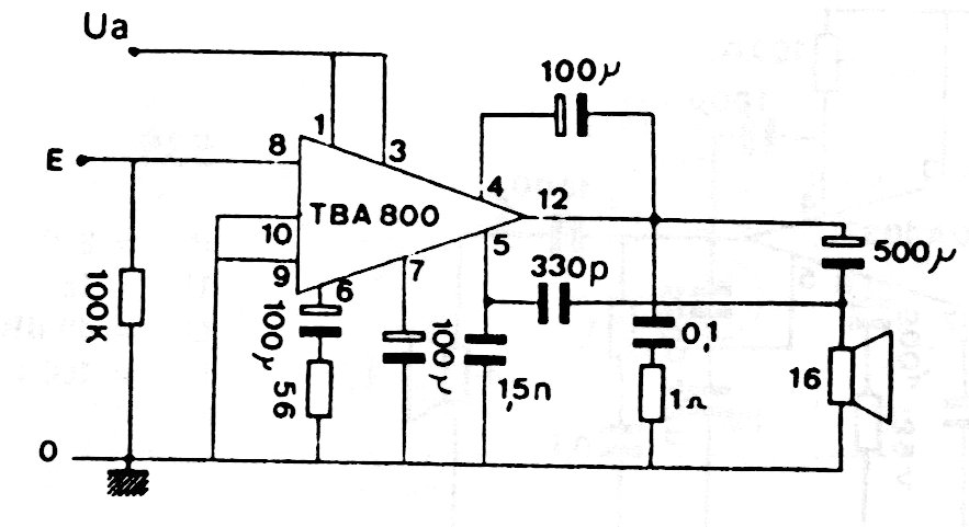
El circuito integrado utilizado en este amplificador de los 90 no es muy común en la actualidad. El suministro es de 24 V, la ganancia es de 50 dB y la resistencia de entrada es de 100 k. El circuito es de un manual de circuito antiguo.
Para los lectores que necesitan altas tensiones continuas, una fuente de alimentación de baja...
La acción rápida de conmutación del 4093 ayuda a obtener un circuito de interruptor nocturno que no se...
Esta configuración tradicional de fuente de alimentación es ideal para la bancada del montador,...