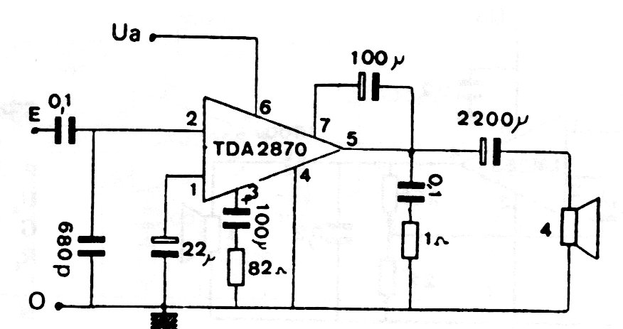
Este circuito es de la documentación de los años 90. Así, el circuito integrado que se utiliza no es común en la actualidad. El amplificador debe alimentarse con una tensión de 18 V y tiene una ganancia de 40 dB. La resistencia de entrada es de 100 k ohms.




