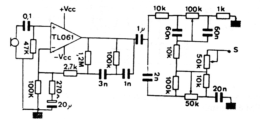
Encontramos este circuito en un esquema europeo de los años 90. El circuito integrado usado todavía se puede obtener con cierta facilidad en el mercado e incluso se pueden utilizar equivalentes con FET. El circuito está indicado para funcionar con micrófonos y los cables de señal deben estar apantallados.




