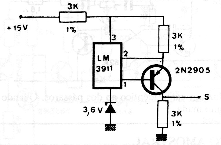
El LM3911 de National Semiconductor (ahora Texas) es un sensor de temperatura que proporciona una tensión de salida en función de la temperatura a la que se encuentra. El circuito es de una documentación de los años 90 y opera en el rango de -25 a + 85º C.




