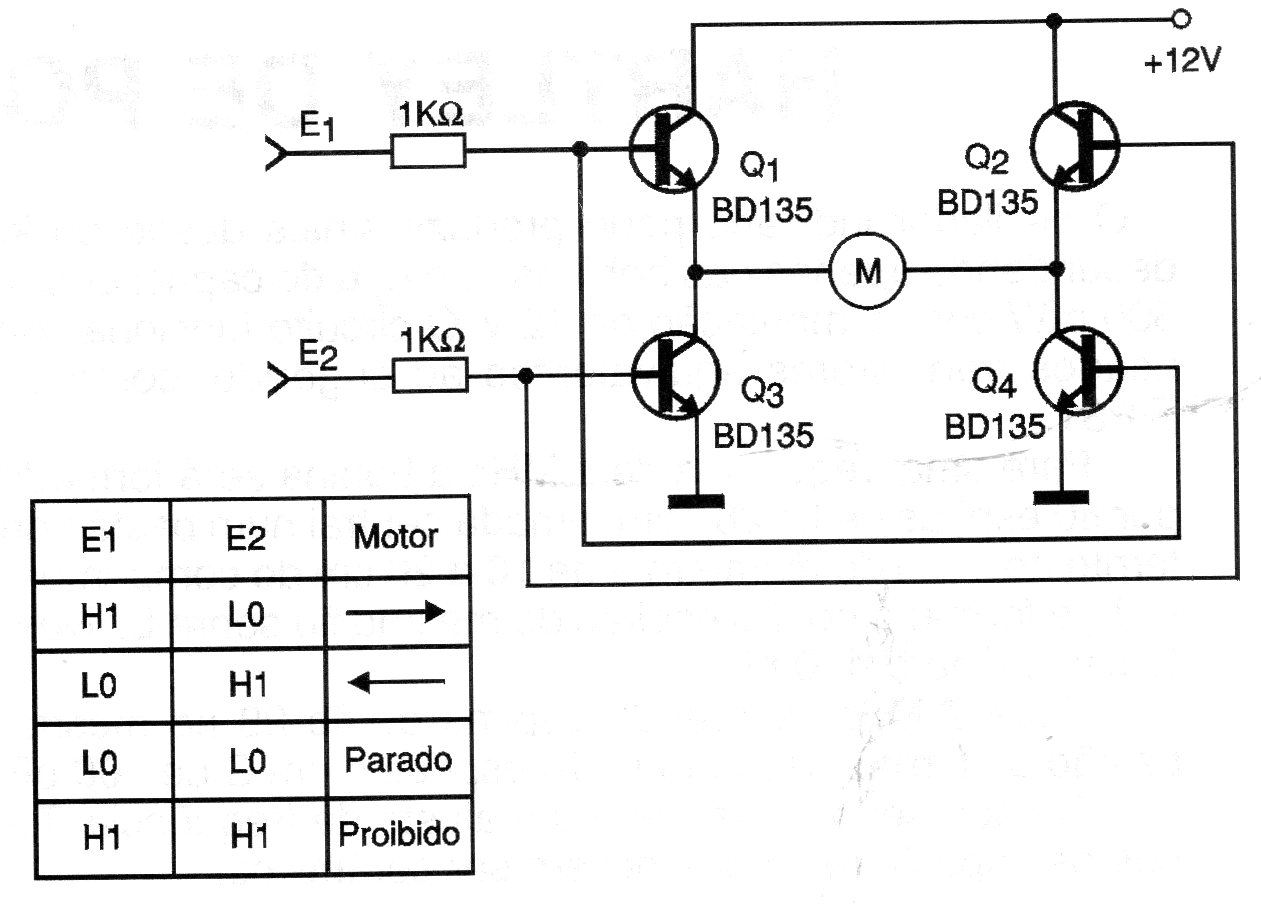
Esta es la configuración tradicional de puente H para motores. El circuito es para corrientes de hasta 500 mA, pero con transistores de mayor potencia como los motores TIP31 se pueden controlar hasta 2 A. Los transistores deben estar equipados con disipadores de calor.




