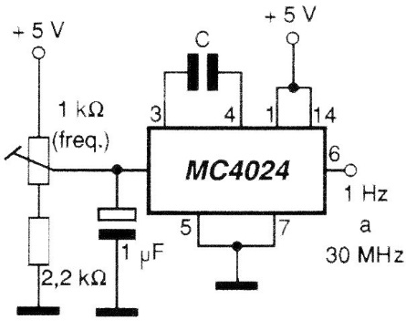
Este oscilador controlado por tensión utiliza un circuito integrado que no es común en la actualidad. Puede generar señales de 1 Hz a 30 MHz con una alimentación de 5 V. La frecuencia depende básicamente del valor del capacitor.

Este oscilador controlado por tensión utiliza un circuito integrado que no es común en la actualidad. Puede generar señales de 1 Hz a 30 MHz con una alimentación de 5 V. La frecuencia depende básicamente del valor del capacitor.
