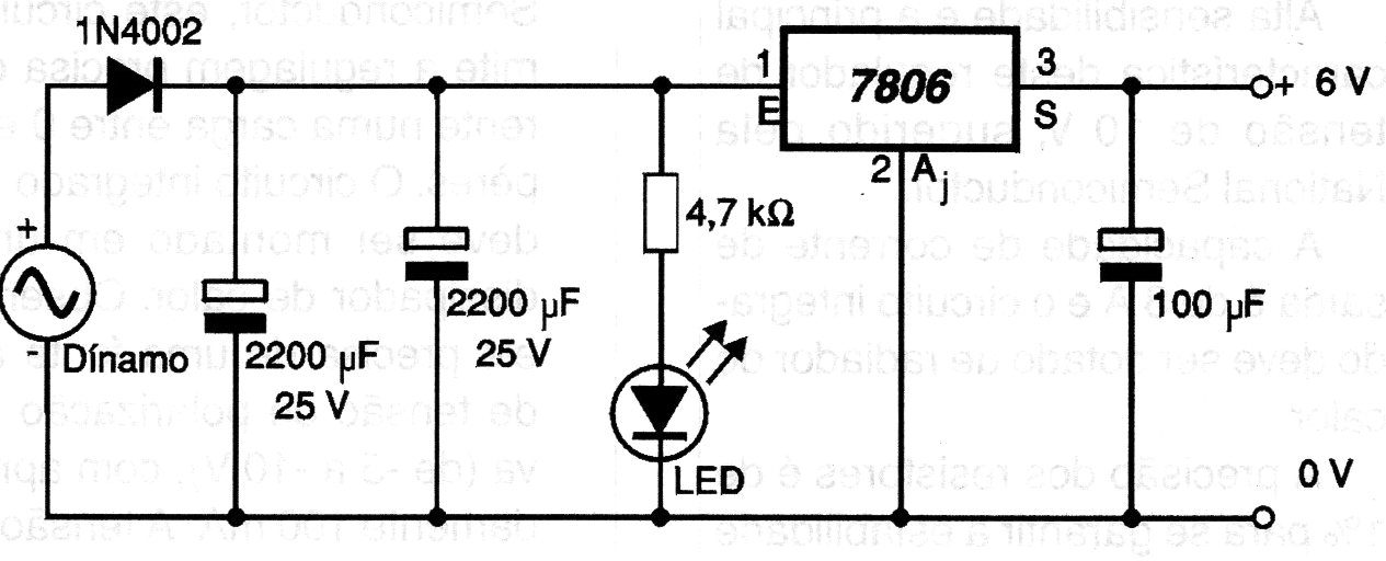
Este circuito puede proporcionar una corriente de carga máxima de 1 A. El circuito integrado debe tener un disipador de calor y los capacitores de 2.200 uF pueden ser reemplazados por una unidad de 4.700 uF o incluso de 10.000 uF. Estos valores no eran comunes en el momento de la publicación del proyecto (2001). Se pueden obtener otras tensiones cambiando el regulador.




