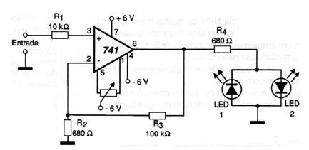
Este circuito indica la polaridad de una tensión aplicada a la entrada. El circuito puede hacer uso de otros operativos y la tensión de entrada puede estar en un rango de -12 a +12 V. El circuito tiene un consumo muy bajo. El resistor R3 determina la ganancia del circuito y se puede cambiar.




