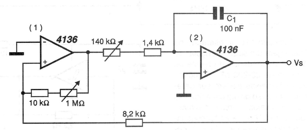
Este circuito utiliza un funcionamiento similar al 741 que se ha encontrado en una documentación de 2001. La fuente de alimentación debe ser simétrica y el circuito tiene una frecuencia determinada por C1. Para el valor indicado, la frecuencia es de 1 kHz.




