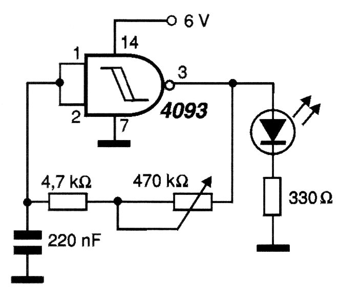
Este circuito está destinado a verificar la frecuencia máxima de parpadeos que una persona puede detectar. Normalmente esta capacidad se reduce cuando vemos mucha televisión o cuando estamos expuestos a una iluminación excesiva. El circuito produce señales en el rango de 10 a 100 Hz. El ajuste de frecuencia se puede realizar con la ayuda de un medidor de frecuencia.




