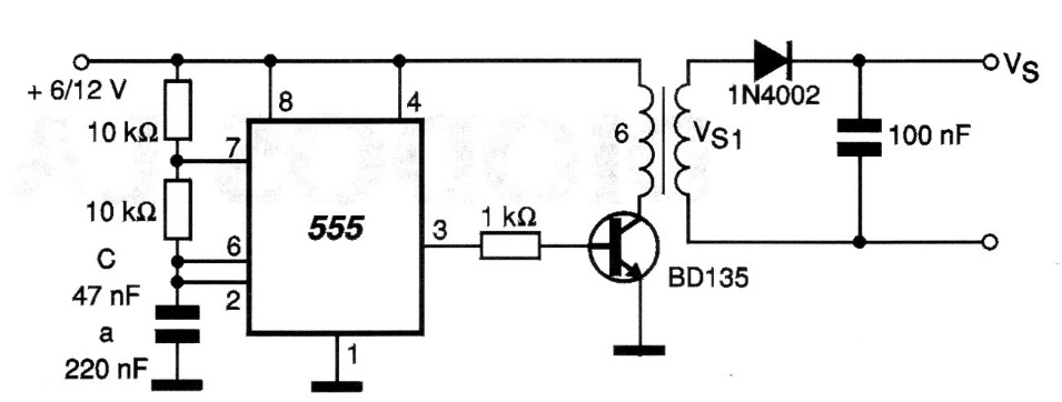
Este circuito genera una alta tensión continua de 6 a 12 V de tensión de entrada. El circuito se basa en un 555 y un transistor de potencia que debe montarse en un disipador de calor. El transformador puede ser del tipo con primario de 110 V y secundario de 6 a 12 V con corriente de 200 a 500 mA.




