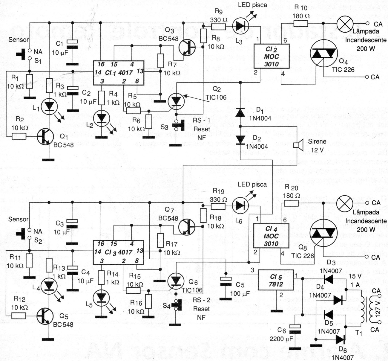
Este circuito se encontró en la documentación de 2003, pero todos los componentes utilizados siguen vigentes. La alarma tiene varias características y utiliza un acoplador óptico para controlar las lámparas incandescentes a través de triacs. Los triacs deben estar equipados con disipadores de calor y la alimentación debe ser suministrada por la fuente incluida en el diagrama.




