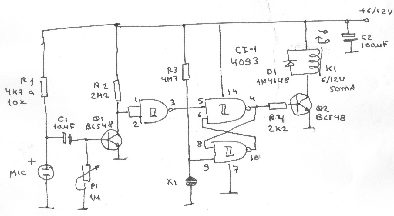
Con la configuración que se muestra en la figura, tenemos el relé que se activa cuando el micrófono capta un sonido y se apaga cuando se activa el sensor de reinicio X1.
El circuito mostrado en la figura es sugerido por Texas Instruments y permite la transmisión de datos en...
Esta fuente de alimentación se encuentra en una documentación de 1958. La corriente es entre 500...
Este simple circuito expandible se obtuvo de una Popular Electronics de los años 80. La tensión de...