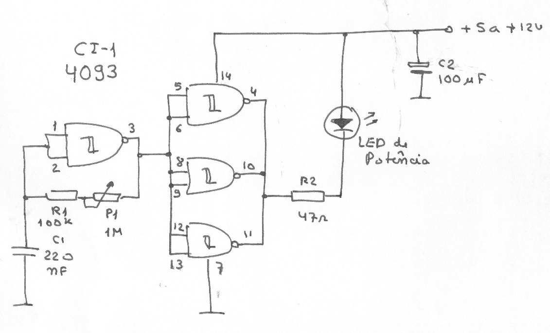
Los LED de alto brillo de varios colores e incluso blancos se pueden obtener fácilmente en tiendas especializadas. El circuito que se muestra en la figura 1 hace que un LED de alto brillo parpadee a una frecuencia que se puede ajustar en P1.
El circuito mostrado en la figura es sugerido por Texas Instruments y permite la transmisión de datos en...
Esta fuente de alimentación se encuentra en una documentación de 1958. La corriente es entre 500...
Este simple circuito expandible se obtuvo de una Popular Electronics de los años 80. La tensión de...