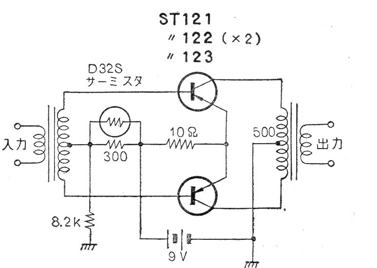
Este paso de salida de audio de 250 mW se obtuvo en una revista japonesa en 1967. El circuito usa un termistor para compensar la temperatura y los transistores son de germanio de esa época. Los transformadores son del tipo que se encuentra en los pasos similares de las antiguas radios de transistores.




