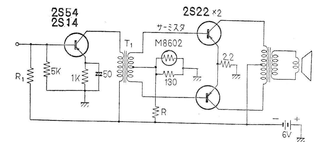
Este antiguo circuito de transistores amplificador de audio de 1 W es de una revista japonesa de 1967. Los transistores son del germanio de la época y del tipo de transformadores que se encuentran en equipos similares de la época.
El circuito mostrado en la figura es sugerido por Texas Instruments y permite la transmisión de datos en...
Esta fuente de alimentación se encuentra en una documentación de 1958. La corriente es entre 500...
Este simple circuito expandible se obtuvo de una Popular Electronics de los años 80. La tensión de...