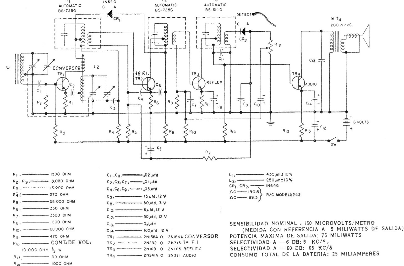
Este es un diagrama de un receptor comercial de 1958. El circuito se encontró en la documentación en ese momento. Los elementos críticos son los transistores y las bobinas, además del transformador de salida. El circuito usó una batería de 9 V como fuente de alimentación.




