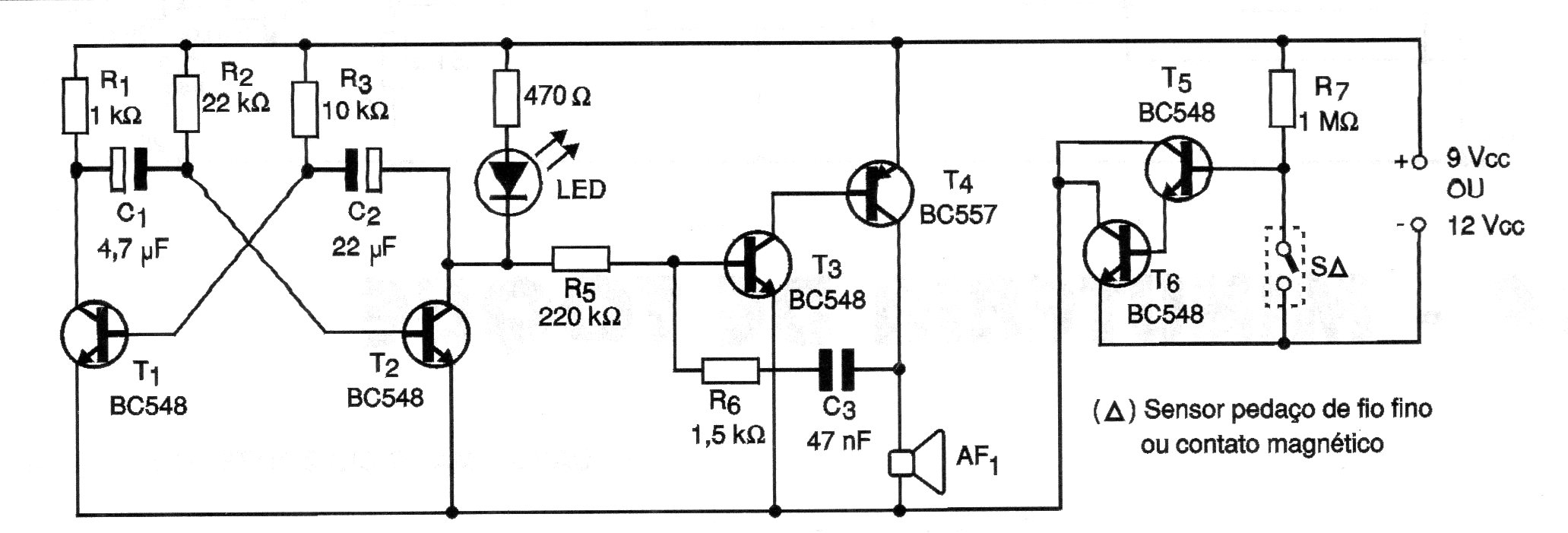
Este simple circuito de alarma se encontró en una documentación del año 2000. Por el uso como componentes básicos sólo los transistores que se pueden encontrar con facilidad su montaje es posible en nuestros días sin ningún problema. Los sensores pueden ser en mayor número, conectados en serie.




