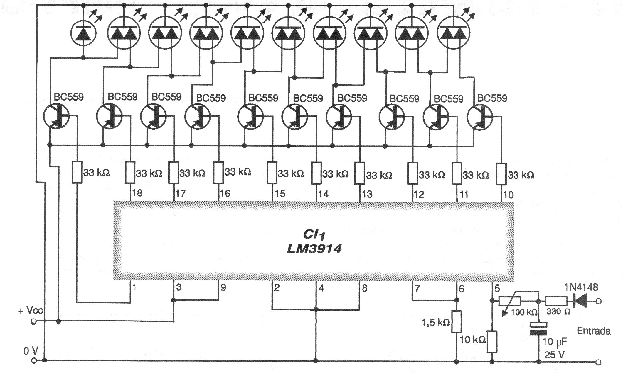
Este interesante circuito puede ser acoplado a cualquier equipo de sonido para dar la indicación de volumen (Volume Units o VU) a través de 10 LEDs bicolores. El circuito se basa en el LM3914 que aún se puede encontrar fácilmente en el mercado especializado. La alimentación se puede realizar con tensiones de 6 a 12 V.




