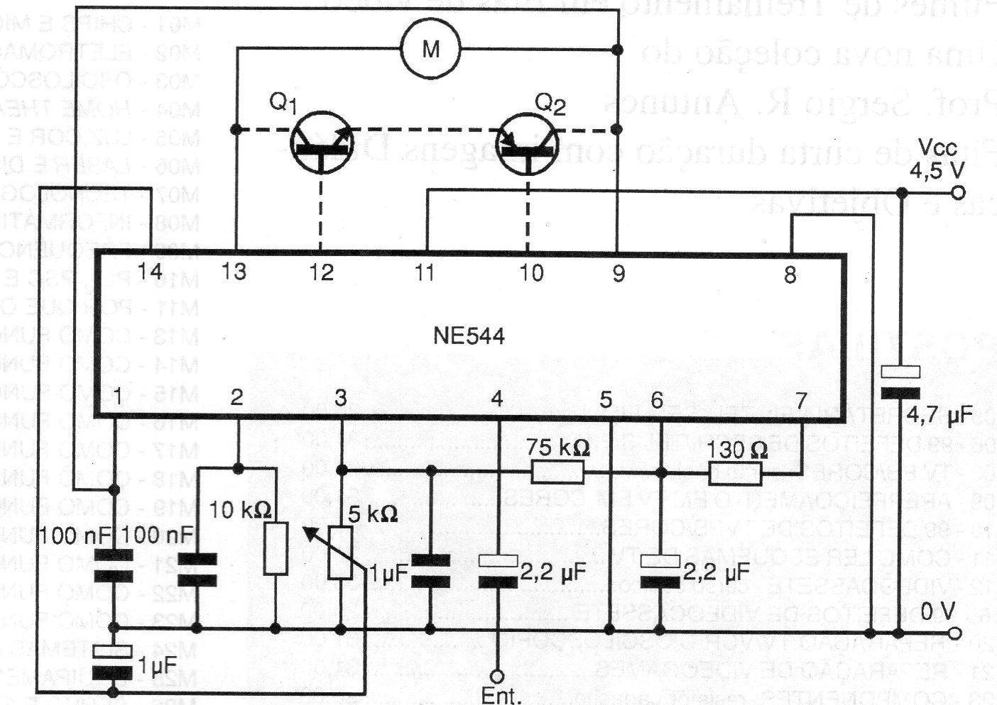
Este circuito es de una documentación de 1999. El circuito integrado utilizado no es muy común actualmente. Los dos transistores se utilizan si la corriente del motor es mayor que 500 mA. El circuito puede funcionar con tensiones de hasta 6 V.
El circuito mostrado en la figura es sugerido por Texas Instruments y permite la transmisión de datos en...
Esta fuente de alimentación se encuentra en una documentación de 1958. La corriente es entre 500...
Este simple circuito expandible se obtuvo de una Popular Electronics de los años 80. La tensión de...