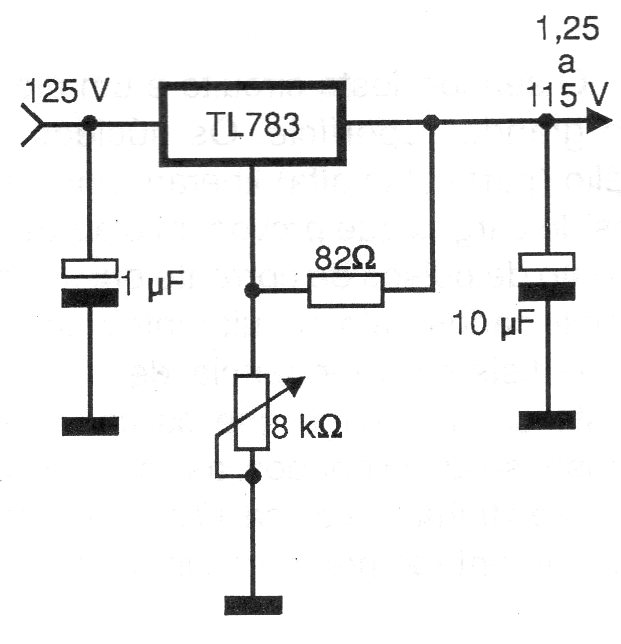
Este circuito ya apareció otras veces en este sitio y en nuestros artículos. Esta versión es de 1999. El circuito integrado puede proporcionar salidas de 1,5 a 115 V con una potencia máxima de 20 W. Debe estar dotado de disipador de calor y la diferencia máxima entre la tensión de entrada y salida es de 125 V La corriente máxima es de 700 mA.




