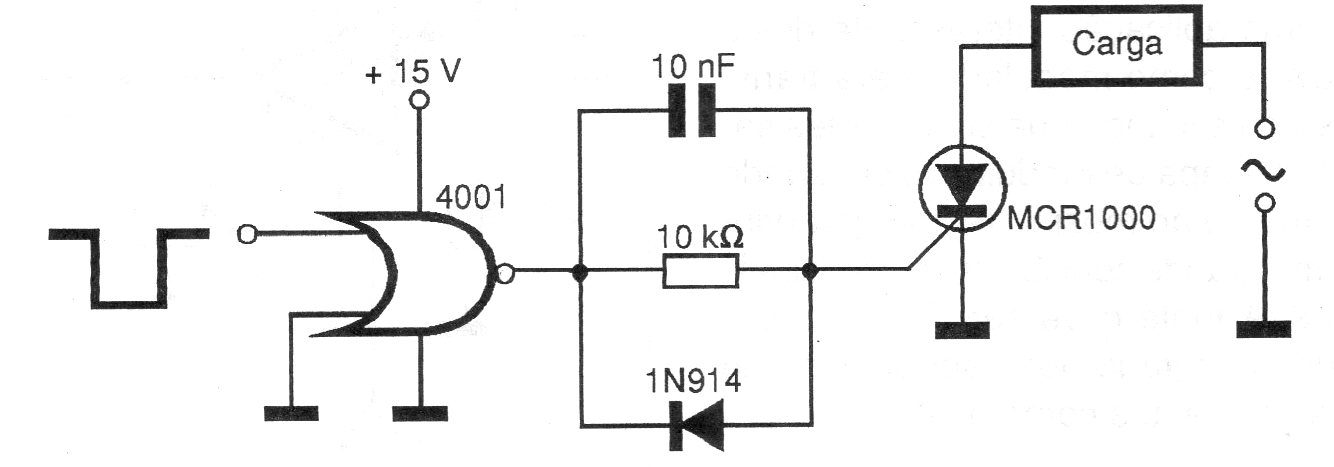
El MOS SCR MCR1000 es un componente raro actualmente. Se trata de un SCR con disparo por efecto de campo MOS, exigiendo un circuito especial para este propósito. El circuito es de una documentación de 1999. Una de las características de este SCR es su velocidad extremadamente rápida de disparo.




