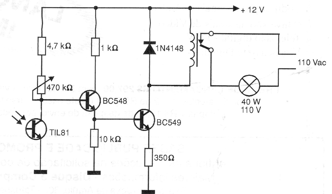
Este circuito se puede utilizar en sistemas de alarma de paso. El relé se dispara cuando se corta la luz que incide en el sensor. La alimentación es de 12 V, de acuerdo con la tensión del relé. El ajuste de sensibilidad al disparo se realiza en el trimpot. Cualquier foto-transistor se puede utilizar.




