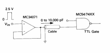
Otros amplificadores operacionales de la misma familia pueden ser utilizados en este circuito de shield sugerido por Motorola en su Linear Databook de 1990. La fuente debe ser de 5 V.

Otros amplificadores operacionales de la misma familia pueden ser utilizados en este circuito de shield sugerido por Motorola en su Linear Databook de 1990. La fuente debe ser de 5 V.
