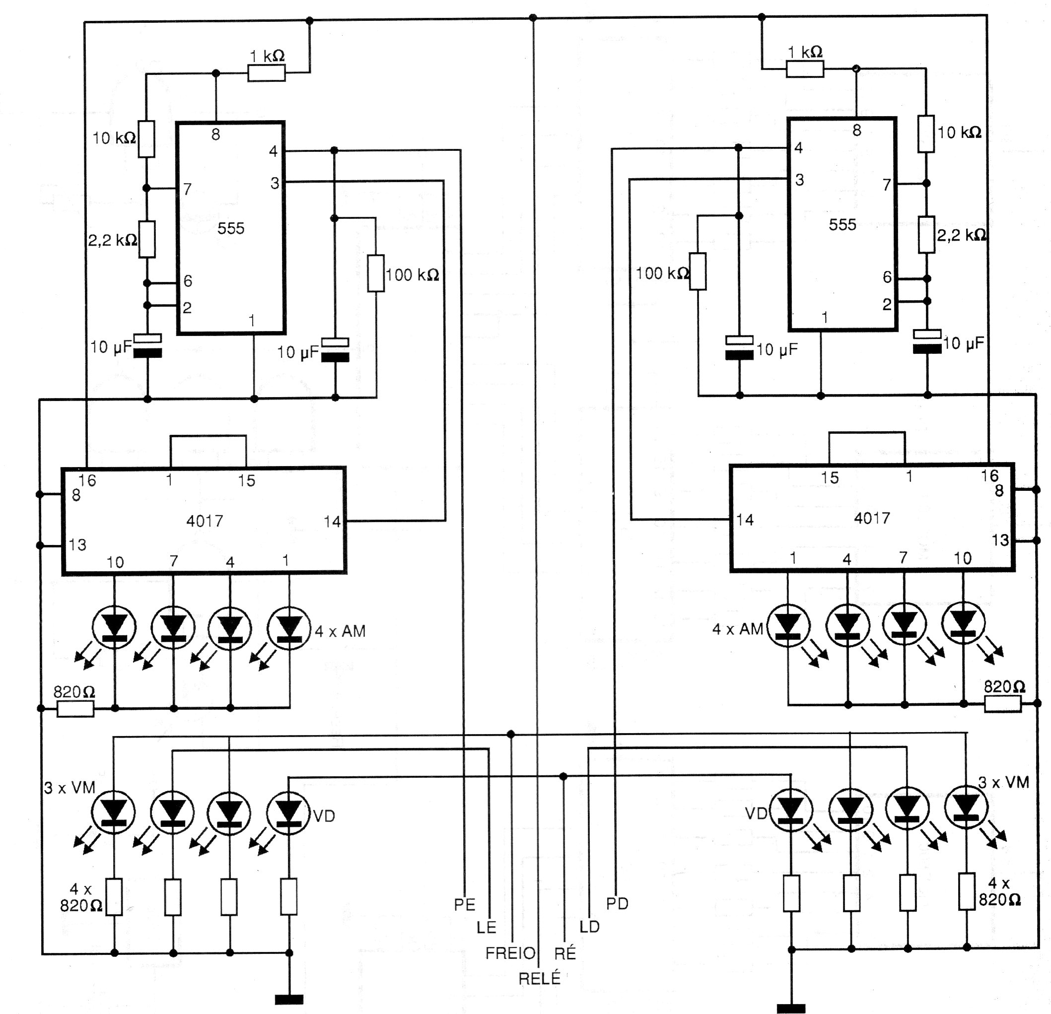
Este circuito consiste en un panel de control para motos y coches monitoreando diversas funciones tales como freno, lámparas, flecha, etc., todo con indicación parpadeante a través de LEDs. El circuito utiliza componentes actuales, aunque se ha encontrado en una documentación antigua. La alimentación viene de la propia batería del coche o de la moto.




