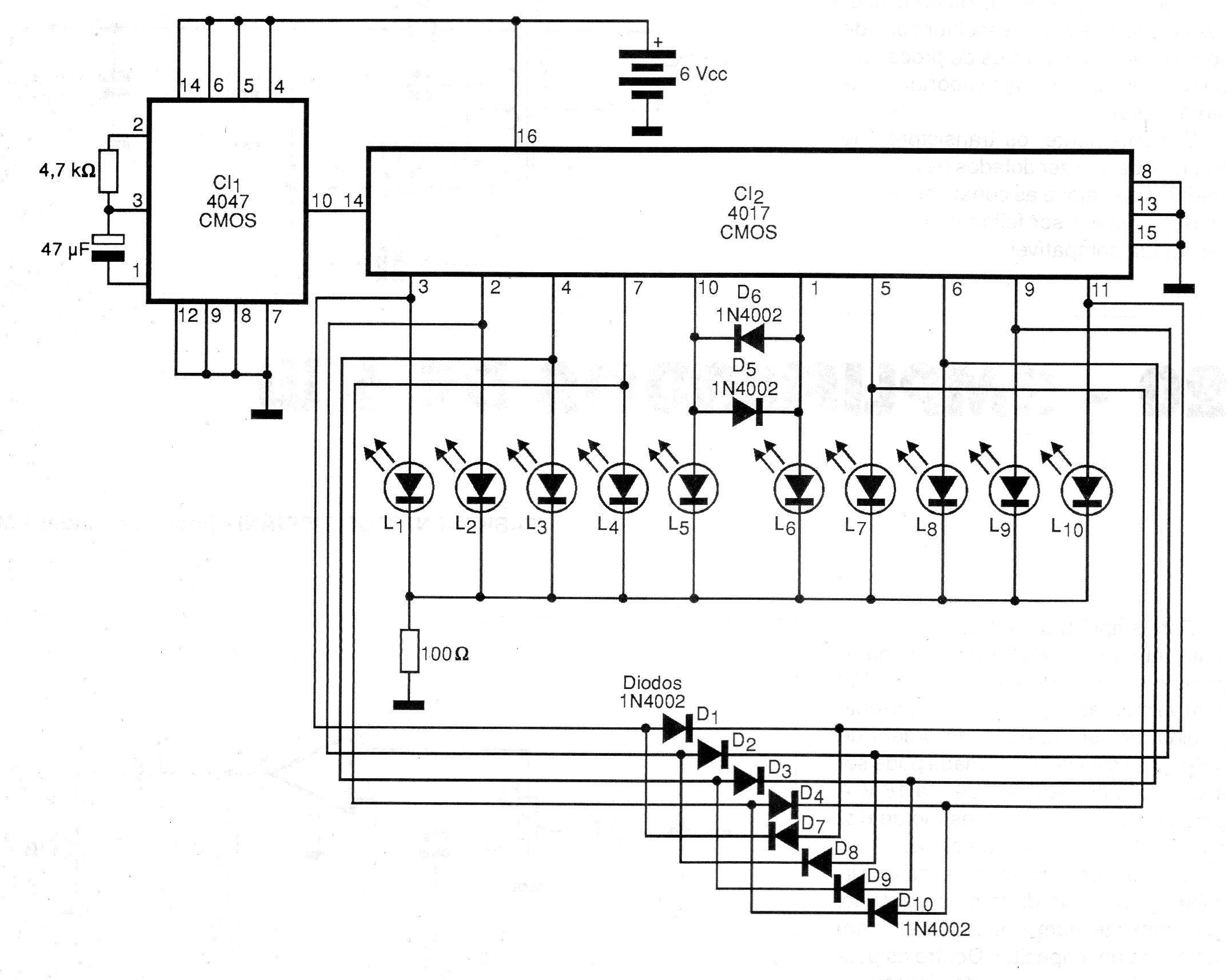
Este interesante circuito hace que un conjunto de LEDs parpadeen a una velocidad controlada por el CI1 en un efecto abre y cerrar. El circuito puede tener la frecuencia controlada si cambiamos el resistor de 4k7 por un potenciómetro de 47k en serie con un resistor de 2k2. El circuito es alimentado por 6 V. Para 9 V, aumente el resistor de 100 ohms a 470 ohms.




