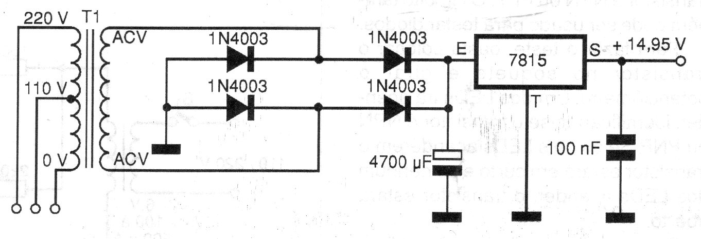
Esta fuente simple se basa en el circuito integrado 7815 que debe montarse en un disipador de calor. Los diodos también pueden ser 1N4002 o 1N4004 y el transformador tiene 12 + 12 V o 15 + 15 V con 1 A de corriente.
El circuito presentado acciona un relé después de un tiempo ajustado en P1. Con los valores de los...
Un comparador de tensión de precisión, usando diodo zener como referencia puede ser implementado con un...
Este proyecto es muy útil ya que sirve tanto para el suministro de equipos bajo prueba como para...