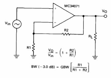
Esta configuración también es válida para otros operativos y la fórmula para calcular la ganancia se da junto al diagrama. El circuito es del Linear Databook de Motorola de 1990. La fuente de alimentación debe ser simétrica.

Esta configuración también es válida para otros operativos y la fórmula para calcular la ganancia se da junto al diagrama. El circuito es del Linear Databook de Motorola de 1990. La fuente de alimentación debe ser simétrica.
