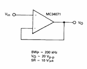
Este buffer con alta impedancia de entrada y baja impedancia de salida fue encontrado en el Linear Databook de Motorola de 1990. Podemos utilizar operacionales equivalentes. La fuente de alimentación debe ser simétrica.

Este buffer con alta impedancia de entrada y baja impedancia de salida fue encontrado en el Linear Databook de Motorola de 1990. Podemos utilizar operacionales equivalentes. La fuente de alimentación debe ser simétrica.
