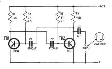
Esta configuración tradicional de asequible fue encontrada en una documentación de 1965. Los transistores pueden ser tipos más modernos como los BC558 y los capacitores pueden ser alterados. El circuito funciona con tensiones entre 3 y 9 V.

Esta configuración tradicional de asequible fue encontrada en una documentación de 1965. Los transistores pueden ser tipos más modernos como los BC558 y los capacitores pueden ser alterados. El circuito funciona con tensiones entre 3 y 9 V.
