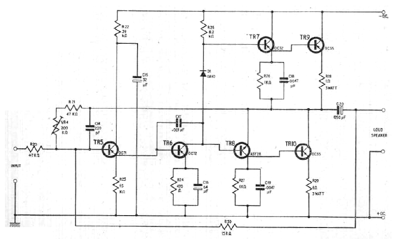
Este amplificador es alimentado por fuente 9 V. Encontramos el circuito en una documentación de 1964. Los transistores son de germanio pudiendo ser usados transistores modernos con modificaciones en los componentes de polarización.
Encontramos este sencillo circuito de monitoreo de fusibles para automóviles en un William Sheets. El...
Los diodos de esta fuente de alimentación son de 2,5 V x 1000 V. El circuito proporciona una...
Este pequeño micrófono inalámbrico para la gama AM fue tomado de Popular Electronics de agosto de 1967....