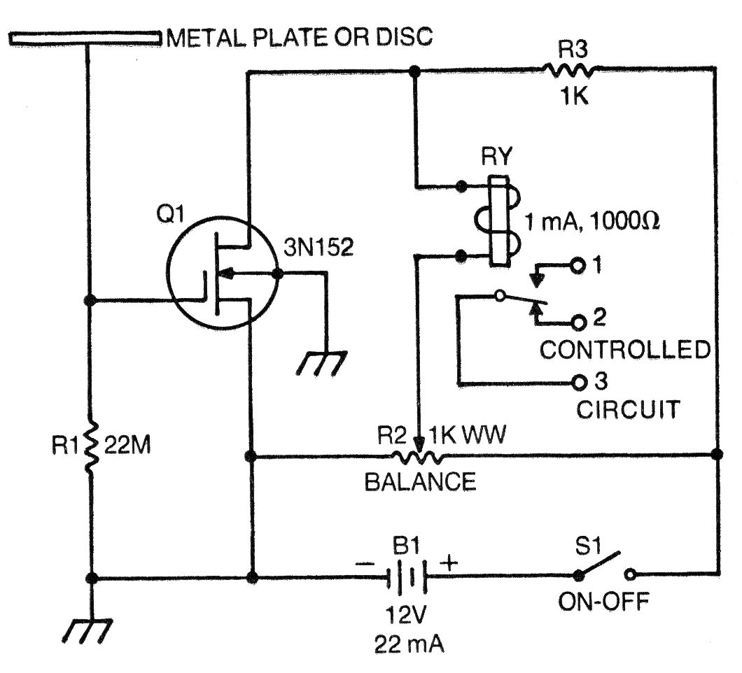
Este circuito, de una documentación de 1976, utiliza un MOSFET de baja potencia de difícil obtención, pero se pueden utilizar componentes equivalentes. El circuito acciona un reed relé de alta sensibilidad (1 mA) cuando se toca la placa sensora. El circuito es alimentado por una tensión de 12 V, preferiblemente de batería. El circuito puede ser adaptado para funcionar con 9 V con un FET común como el BF245.




