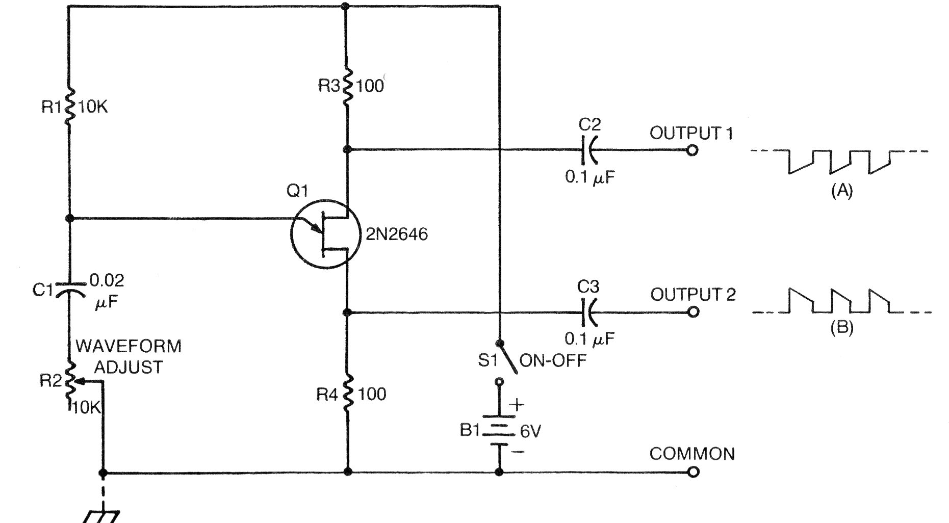
Este circuito tiene un ajuste de forma de onda hecho con un potenciómetro. C1 y R1 determinan la frecuencia básica. La alimentación se puede hacer con tensiones de 9 a 15 V. El circuito es de una documentación sobre transistores unijuntura de 1976. Ver en el sitio del autor cómo calcular los componentes para otras frecuencias. La frecuencia máxima de este circuito es del orden de 100 kHz.




