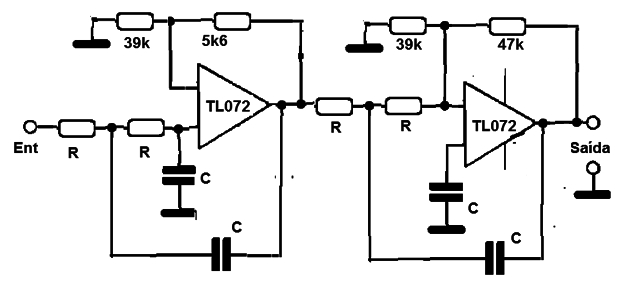
Scratch es el ruido agudo que aparece en el altavoz cuando un disco está rayado o tiene imperfecciones que generan sonidos agudos, similar a la que se obtiene por el rascado objetos. El filtro que se muestra corta estos agudos, por lo que es más fácil obtener sonidos más puro cuando un disco está siendo recuperado con su programa grabado en otros medios de comunicación. Los amplificadores operacionales son 741ou equivalente y la frecuencia de corte depende de los componentes. La fuente de alimentación debe ser simétrica. La frecuencia de corte del circuito depende de los componentes de acuerdo con la siguiente tabla:
Frequência de corte - C - R
10 kHz - 1n5 - 10k
7,5 kHz - 1n5 - 14k
5 kHz - 1n5 - 22k




