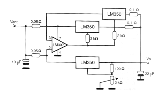
El circuito de la figura es sugerido por National Semiconductor y puede servir de base para una excelente fuente ajustable de 1,2 a 25 V con corriente de salida de hasta 10 ampères. Todos los circuitos integrados deben montarse en buenos radiadores de calor. Los resistores de 0,1 ohms en serie con los reguladores deben ser de alambre de al menos 2 W de disipación. La tensión de entrada debe ser por lo menos 2 V mayor que la tensión deseada en la salida en el punto máximo. Las pistas de circuito impreso para el montaje de este circuito regulador tienen que ser lo suficientemente amplias para que puedan trabajar con las altas intensidades de las corrientes de salida.




