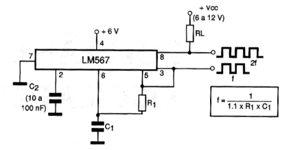
El LM567 es un decodificador de tono PLL que también se puede utilizar como oscilador doble según el ejemplo visto en el circuito de la figura. La tensión de alimentación debe estar entre 5 y 10 V, y la frecuencia máxima de operación de alrededor de 100 kHz. Los valores de los componentes en función de la frecuencia que se va a generar pueden calcularse mediante la fórmula dada junto al diagrama. Observe que la forma de onda de la señal es rectangular, y en una de las salidas tenemos el doble de la frecuencia de la otra.




