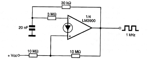
El circuito presentado en la figura genera señales rectangulares basadas en un amplificador operacional de transconductancia (Norton) del tipo LM3900, de National Semiconductor. Los valores de los componentes indicados para esta aplicación la hacen generar una señal de 1 kHz, pero pueden ser alterados siempre que no sea superado el límite del amplificador operacional, que es de algunos cientos de kilohercios. El circuito debe ser alimentado con una fuente simétrica de 6 a 12 V, y los demás amplificadores operacionales del LM3900, que son cuádruple, pueden ser aprovechados para otro propósito.




