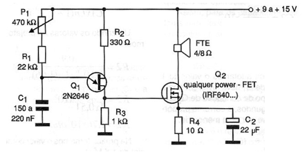
El circuito, mostrado en la figura, produce un tono de audio de buena potencia, cuya frecuencia es ajustada por el potenciómetro de 470 k ohms. El altavoz debe ser de al menos 5 W y una de las aplicaciones posibles para este circuito es en sistemas de alarma. El resistor de 10 ohmios puede eventualmente ser cambiado en función de la potencia deseada.




