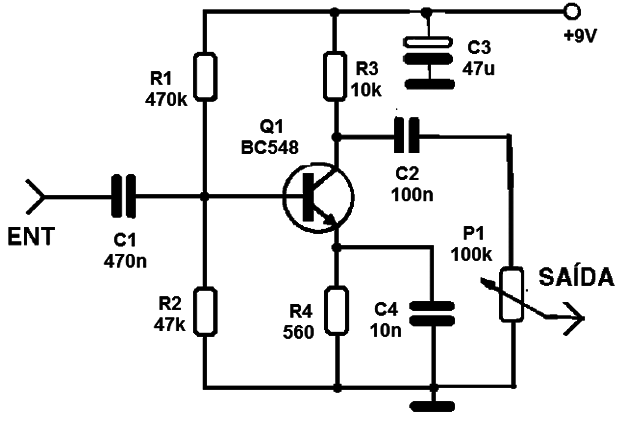
Este circuito elevador de señales de audio no es nada más que un amplificador de audio de uso general con el diagrama original publicado en una Electrónica Popular de los años 80. Con los cambios, como cambiar el transistor original por los BC548 o BC549, así otros cómo componentes de los valores estandarizados común en nuestros días, el dispositivo se puede montar fácilmente. La salida es de una baja impedancia y la intensidad de la señal es controlada en R5. Un LED indicador es opcional y el consumo es bajo, la batería puede ser utilizada en la alimentación. Recordamos que el uso de los aumentos de consumo LED. Si se utiliza fuente, debe tener una excelente filtraje. Cables de entrada y salida de señal deben estar blindados para evitar los ronquidos.




