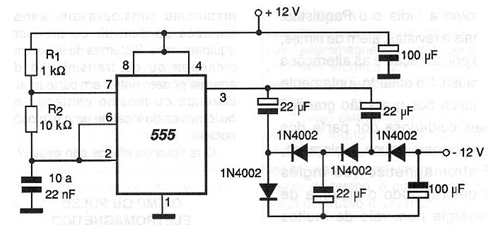
En la figura tenemos un convertidor que genera una tensión negativa a partir de una fuente positiva de tensión. La corriente disponible en la salida de esta fuente es del orden de sólo algunos micro-ampères, pero puede ser utilizada en circuitos de polarización, lo que puede ser importante en determinadas aplicaciones que involucran amplificadores operacionales con fuente simétrica operando en régimen de muy baja potencia. El circuito opera como un oscilador cuya frecuencia depende del condensador conectado a los pines 6/2 y tiene en la salida un triplicador de tensión invertido para generar tensiones negativas. Observamos que el valor de -12 V generado es "abierto", es decir, sin carga y que el circuito no tiene regulación. Una regulación puede ser implementada realimentando el circuito con la propia tensión de salida. El circuito también funciona con otras tensiones de entrada, en el rango de 5 a 15 V, sin problemas.




