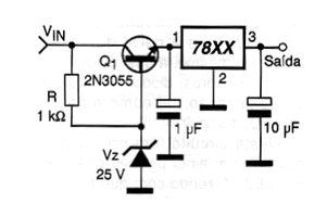
Los circuitos integrados reguladores de tensión de la serie 78XX no soportan una tensión de entrada mayor que 28 V para algunos tipos y 35 V para otros, dependiendo de la serie y del valor de la tensión de salida. Así, si tenemos una tensión mayor de entrada y necesitamos hacer una regulación de una baja tensión de salida, será necesaria una pre-reducción. Esto se puede hacer con el circuito mostrado en la figura, que admite una entrada de hasta 70 volts. La corriente máxima de salida de este circuito es de 1 ampère y el transistor de potencia 2N3055 debe montarse en un buen radiador de calor. El diodo zener de 25 V reduce la tensión de entrada del 78XX a aproximadamente 25,7 V, mientras que la resistencia R1 determina la corriente en el zener. El zener debe ser de 2 W y la disipación de la resistencia R debe ser calculada en función de la tensión de entrada, siendo un valor típico 2 W.




