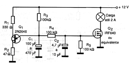
Este circuito produce un efecto de luz que "ondula" entre puntos de máximo y mínimo suavemente, con frecuencia determinada básicamente por los dos capacitores. Cuando el capacitor C1 se carga, la tensión sube cargando también C2 vía R4, de modo que el transistor de efecto de campo entra suavemente en conducción. Sin embargo, tan pronto como alcanza el tiempo de saturación, C1 se descarga por el disparo del unijuntura y C2 se descarga lentamente por R5, haciendo que el transistor vaya lentamente al corte, apagando la lámpara. Con los valores indicados en el diagrama tenemos la oscilación suave de brillo de la lámpara. El lector puede hacer experimentos con los capacitores y los resistores para obtener exactamente el efecto que desea.




