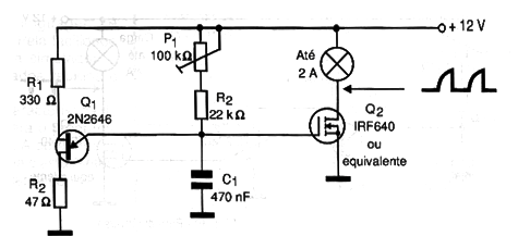
El efecto de luz obtenido con el circuito mostrado en la figura es diferente de los demás: se enciende lentamente en cierto momento hasta alcanzar el máximo, para luego apagar rápidamente. La frecuencia de funcionamiento se ajusta en el potenciómetro de 100 k ohms y también depende del capacitor. Se deben realizar experimentos con los valores de los componentes si el lector desea cambiar el efecto básico.




