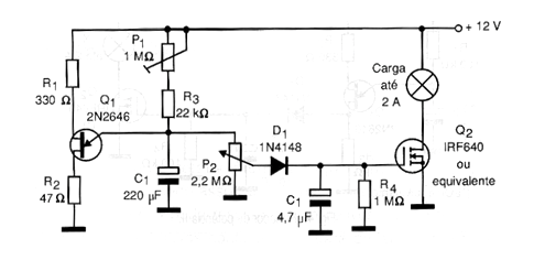
Un otro circuito de luz ondulante con ajuste tanto de frecuencia y de efecto se muestra en la figura. La luz se ilumina suavemente cuando el capacitor de 220 ?F se carga, y su punto de umbral se ajusta en el potenciómetro de 2,2 M ohms. El apagado suave es determinado por el condensador de 4,7 M ohmios, y también por el resistor de 1 M ohms en la conducción del transistor de efecto de campo de potencia. Con los valores indicados, los ciclos de encendido están entre 2 y 10 segundos, pero el lector puede modificar los componentes de acuerdo con las aplicaciones deseadas.




