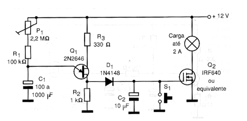
El circuito mostrado en la figura hace que la lámpara se encienda después de un cierto tiempo determinado por el ajuste del potenciómetro de 2,2 M ohmios, y por el capacitor de 100 a 1000 ?F en el transmisor del transistor unijuntura. Cuando el transistor unijunción dispara, el pulso producido carga el capacitor de 10 ?F en la conducción del transistor de efecto de campo, manteniéndolo en conducción. Como la impedancia de entrada del transistor de efecto de campo es extremadamente alta, la carga y la conducción pueden ser mantenidas por largos intervalos de tiempo (más de 1 hora dependiendo del capacitor). Para apagar la lámpara y rearmar el circuito basta con descargar el capacitor de 10 ?F presionando el interruptor de presión en paralelo. Los mejores resultados se obtienen con el uso de capacitor de poliéster de 1 a 10 ?F. El tiempo de retardo obtenido con un potenciómetro de 2,2 M ohms y un capacitor de 1 000 ?F puede llegar a 1 hora.




