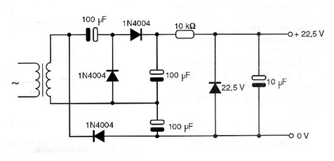
Algunos multímetros antiguos poseen una escala de alta resistencia que tiene un circuito interno alimentado por una batería de 22,5 V. Además de ser muy difícil (si no imposible) encontrar esta batería actualmente, su costo es muy alto. Una alternativa consiste en el uso de una fuente que es justamente la ejemplificada en la figura. Esta fuente puede usarse también en circuitos de polarización que exijan una tensión en este valor (22,5 V) bajo corriente muy baja. El transformador tiene devanado primario de acuerdo con la red de energía, y secundario de 12 V con al menos 50 mA de corriente. El diodo zener es de 400 mW y los condensadores deben tener tensión de trabajo de 50 V o más. El mismo circuito, con modificaciones, como, por ejemplo, la inversión de todos los diodos y capacitores, puede ser utilizado como fuente de tensión negativa para la polarización de circuitos.




