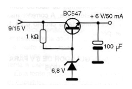
Con el micro regulador de tensión ilustrado en la figura podemos elaborar una fuente de alimentación para pequeños radios, calculadoras, relojes y otros aparatos cuyo consumo no sea mayor de 50 mA. La entrada se puede realizar con tensiones de 9 a 15 V. El diodo zener es de 400 mW y el capacitor electrolítico tiene una tensión de trabajo de 6 V o más.




