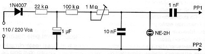
Con este oscilador de relajación con una lámpara neón podemos generar señales de audio de pequeña intensidad para trabajos de investigación en circuitos de audio. Observe que el circuito no está aislado de la red de energía y sólo utiliza componentes pasivos. La frecuencia depende del capacitor de 10 nF y se ajusta en el trimpot de 1 M oh. Como el circuito no está aislado, sólo se debe utilizar en circuitos que no estén conectados a la red de energía y, sin embargo, observando las normas de seguridad que el caso requiere.




