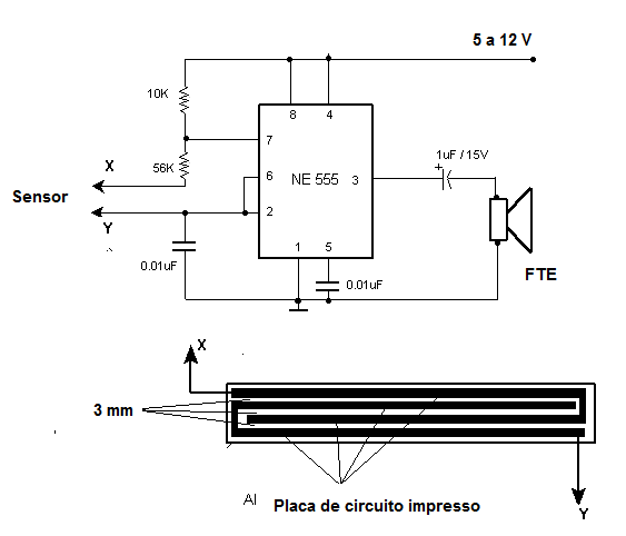
Cuando la humedad alcanza el sensor, o incluso el agua, el tono del sonido emitido por el oscilador cambia. En la figura tenemos detalles del sensor y la alimentación puede ser hecha con tensiones de 5 a 12 V. En ausencia de humedad, debido a las figas del sensor, el circuito emite clics intervalados. El capacitor conectado al pin 2 determina la frecuencia del sonido emitido, pudiendo ser cambiado.




